518 Surface Mount Single Point Mortise Lock

Description

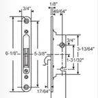
Part # 518

Replacement Door Mortise Lock for sliding Patio door 

Cylinder Color Style and Degree:

  • Gray Style= 45 Degree Cylinder with faceplate 
    • Face Plate Over All Dimensions: 6 1/8" Long x 3/4" Wide 

      Face Plate Top and Bottom mounting Screw Holes Center To Center Dimensions: 5-3/8"  

    • overall depth 1-5/32 inch
  • Black Style = 90 Degree Cylinder - will not come with faceplate customer will need to reuse their old one
  • See video below that shows differences between the 2 options. and instructions on how to reuse your old faceplate. 


You must replace the mortise lock with the same version (you can usually determine this as the old cylinder where colored either Gray or Black. The angle of the Gray cylinder is at a 45 degree angle and the black is at a 90 degree angle) If you do not choose the correct one keyed cylinder will not fit/operate.

If your Cylinder is silver or gold looking color you have the newer style determine which style you need by the slot degree inside the cylinder (see drawing for example the 45 degree cylinder)

Manufacturer: W&F

Known Manufacturing Brands Used on: Hurd, Peachtree, W&F *replacement and more

    Similar Looking Products With Different Dimensions: 

    Part Number C1033

     

    Product form

    67 in stock

    $ 47.00

      Description

      Part # 518

      Replacement Door Mortise Lock for sliding Patio door 

      Cylinder Color Style and Degree:

      • Gray Style= 45 Degree Cylinder with faceplate 
        • Face Plate Over All Dimensions: 6 1/8" Long x 3/4" Wide 

          Face Plate Top and Bottom mounting Screw Holes Center To Center Dimensions: 5-3/8"  

        • overall depth 1-5/32 inch
      • Black Style = 90 Degree Cylinder - will not come with faceplate customer will need to reuse their old one
      • See video below that shows differences between the 2 options. and instructions on how to reuse your old faceplate. 


      You must replace the mortise lock with the same version (you can usually determine this as the old cylinder where colored either Gray or Black. The angle of the Gray cylinder is at a 45 degree angle and the black is at a 90 degree angle) If you do not choose the correct one keyed cylinder will not fit/operate.

      If your Cylinder is silver or gold looking color you have the newer style determine which style you need by the slot degree inside the cylinder (see drawing for example the 45 degree cylinder)

      Manufacturer: W&F

      Known Manufacturing Brands Used on: Hurd, Peachtree, W&F *replacement and more

        Similar Looking Products With Different Dimensions: 

        Part Number C1033

         

        Reviews

        518 Amesbury Truth Recessed Mortise Lock With 45 Degree Sliver Gray Cylinder

        518 Surface Mount Single Point Mortise Lock

        5.0 out of 5 stars

        1 has reviewed this product

          Customer Reviews

          Based on 1 review Write a review

        Recently viewed products

        Login

        Forgot your password?

        Don't have an account yet?
        Create account